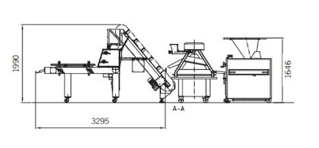
條形面團成型線
面團直接成型線是為不需要中間醒發的面團生產過程特別設計制造的一條生產線。這條緊湊的生產線的產量可達1800個/小時。
技術參數
產量:最高可達1800個/小時
重量范圍:120-1600g
示意圖


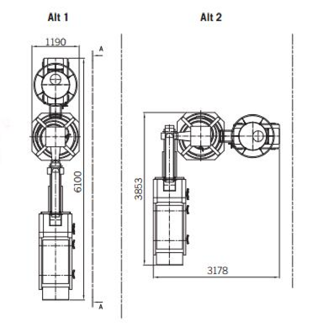
生產線的核心設備——成型線 傳統成型線可以包含分塊機,錐型揉圓機,起酥壓面機,中間醒發箱,成型機,根據產品選擇不同的設備搭配,可以處理不同形狀的面團,產品和產量可以根據客戶的需要定制成型線。 新型手工面包成型線,加入了無應力處理系統,可制作方形,長方形和圓形面包和面團。
面團直接成型線是為不需要中間醒發的面團生產過程特別設計制造的一條生產線。這條緊湊的生產線的產量可達1800個/小時。
技術參數
產量:最高可達1800個/小時
重量范圍:120-1600g
示意圖

